
Bienvenue chez MARKSA
Découvrez un monde d'énergies
Notre société
Marksa : un monde d’énergies
Société active dans le domaine de l’air comprimé, du vacuum, et de la réfrigération industrielle.
Fabricant de refroidisseurs de machines, de groupes de production d’eau glacée, MARKSA est à même de proposer des solutions personnalisées permettant de répondre à l’attente de chaque client.
Agent Officiel ATLAS COPCO (N°1 Mondial), MARKSA analyse, propose et assure le suivi et la maintenance de toute installation liée à l’air comprimé et/ou système vacuum.
Conception + développement
Sur la base d’un cahier des charges défini en étroite collaboration avec notre client, nous concevons une machine frigorifique spécifique afin de répondre scrupuleusement à son attente.
Dimensions, puissance, fluide à refroidir, avec ou sans pompe, avec ou sans réservoir, couleur spéciale, tuyauterie, etc…
La société Marksa vous accompagne sur tous vos projets/développements au niveau du refroidissement de vos équipements.
L’expérience et le savoir-faire de Marksa vous accompagne de l’émergence d’un projet jusqu’à la mise en service du prototype.
Quelques soient vos contraintes en termes de précision ou de d’encombrement, Marksa est à même de vous proposer une solution adaptée à vos besoins.
Service après-vente
Un monde à votre service
La réputation de Marksa s’est affirmée depuis plusieurs décennies grâce à la qualité de notre service après-vente.
Quelle que soit l’activité proposée dans les domaines de la réfrigération, de l’air comprimé et des techniques du vide, nous offrons des prestations identiques.
Rapidité / efficacité / compétivité
Que ce soit des installations Marksa ou des équipements provenant de nos concurrents, nous sommes à même de les contrôler, de les réviser, de les entretenir et, bien sûr, de les réparer.
Nos véhicules destinés au Service Après-vente sont équipés du matériel d’usage courant et de l’outillage nécessaire permettant une réparation rapide, n’entraînant pas une seconde intervention.
Nos techniciens sont au bénéfice d’une qualification très élevée dans leur domaine d’activité. Ils suivent régulièrement des cours de formation leur permettant d’être toujours à la pointe de la technique.
La qualité humaine et le professionnalisme de nos collaborateurs permettent un dialogue et des rapports constructifs avec nos clients.
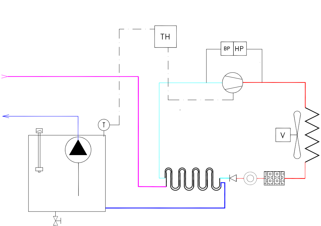
Réfrigération
Nos groupes frigorifiques standards à eau de type CSW ou personnalisés CPW, à huile CSO et CPO, ainsi que nos groupes échangeurs GH et nos stabilisateurs CST, se présentent sous la forme d’unités compactes prêtes à l’emploi.
- Refroidisseurs d’eau
- Refroidisseurs d’huile
- Groupes échangeurs
- Groupes personnalisés
- Groupes stabilisateurs
CSW : Appareil avec circuit frigorifique refroidi par air
L’énergie extraite du fluide à refroidir est rejetée dans l’air ambiant.
CPW : Appareil avec circuit frigorifique refroidi par de l’eau
L’énergie extraite du fluide à refroidir est rejetée dans le circuit d’eau du bâtiment. La température de l’eau doit être <30°C
GH/GAE : Appareil avec circuit échangeur eau/eau, eau/air, eau/huile
L’énergie extraite du fluide à refroidir est rejetée dans le circuit d’eau du bâtiment. La température de l’eau doit être <15°C
Air comprimé
Nous fournissons des compresseurs à vis, à spirales, à pistons, ainsi que tous les accessoires se rapportant au réseau d’air comprimé, tels que sécheurs d’air (frigorifiques ou adsorptions), filtres, purgeurs, séparateurs de condensats, réservoirs, etc.
- Compresseurs
- Sécheurs
- Filtres
- Réservoirs
- Accessoires liés aux condensats
- Accessoires généraux
Vacuum
Actif dans le domaine de l’air comprimé depuis 1935, nous avons élargi nos prestations en nous spécialisant également dans les techniques du vide.
- Pompes portatives individuelles
- Pompes exempt d’huile
- Pompes lubrifiées
- Unités vide et pression
- Turbines
- Centrale vacuum
- Accessoires
Nous contacter
Besoin d’un renseignement sur nos produits ou nos services? N’hésitez-pas à nous contacter!
Marksa S.A.
39 Av. du Technicum
CH – 2400 Le Locle
Tél. +41 (0)32 933 55 55
Fax +41 (0)32 931 15 65
Email: marksa(at)dixi.ch
Marksa SAV
Email: sav.marksa(at)dixi.ch


